language
    +
    • 4(1758273902458).jpg

    编号 :

    DM系列频转速面板表


    零售价

    市场价


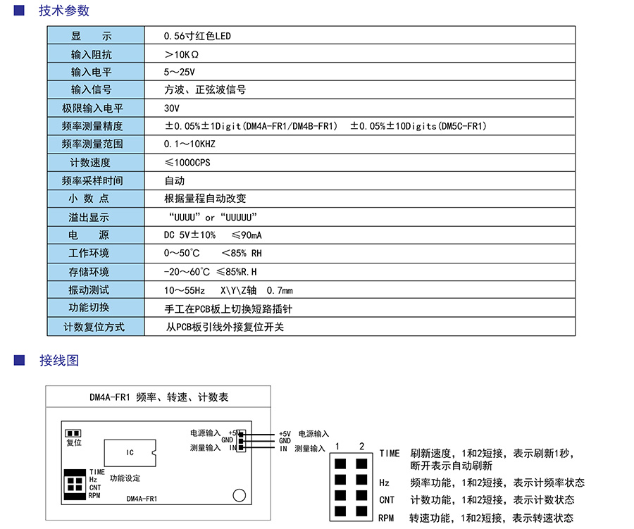
    超薄机身,体积小巧.安装方便 测量准确,性能可靠 可测量频率/转速,或累加计数功能 小数点浮动显示,显示值自动往左第一位显示后保留小数位
    产品分类: 频率转速表

    关键词:

    重量

    数量
    -
    +

    库存

    隐藏域元素占位

    下一个

    产品描述 相关下载

    信息更新:

    相关产品

    产品信息

    填写您的手机和邮箱信息,我们将及时与您联系,尽快解决您的问题。


    提交
    东崎