编号 :
上一个
产品描述
相关下载
信息更新: 2025-08-14
型号说明

型号种类
型号 | 控制输出 | RS485 | 编码 |
T520A(T55L)-DF-04NS88 | 4路SSR | 2路 | B0710T520A01 |
T520A(T55L)-DF-08NS88 | 8路SSR | 2路 | B0880T520A01 |
T520A(T55L)-DF-16NS88 | 16路SSR | 2路 | B1380T520A01 |
技术参数
主控输出类型 | SSR控制输出 |
显示更新 | 1次每秒每通道 |
供电电源 | DC 24V |
整机功耗 | ≤3W(不包含任何输出及对外馈电电能耗) |
电源消耗 | <50W(十六回路控制输出) |
通讯接口 | RS485接口 Modbus-RTU 协议 |
绝缘电阻 | 电源、通讯、输出对机壳>20MΩ |
静电放电 | IEC/EN61000-4-2 Contact ±4KV /Air ±8KV perf.Criteria B |
隔离耐压 | 电源与其他输入输出电路间 AC1000V,1min |
整机重量 | 约560g |
主控输出容量 | DC 24V 最大100mA@25℃(降额比 8%/10℃) 每通道耐压:100V |
周围环境条件 | 室内使用,温度:-20~85℃ 无结露, 湿度:<95%RH,海拔小于5000m |
存贮环境 | -40~100℃,无结露 |
脉冲群抗扰度 | IEC/EN61000-4-4 ±2KV perf.Criteria B |
浪涌抗扰度 | IEC/EN61000-4-5 ±0.5KV perf.Criteria B |
电压暂降及短 时中断抗扰度 | IEC/EN61000-4-29 0%~70% perf.Criteria B |
机壳材质 | 镀锌冷轧板 |
面贴材质 | PVC胶片与PEM硅胶按键 |
停电数据保护 | 10年 |
测量信号参数表

接线图

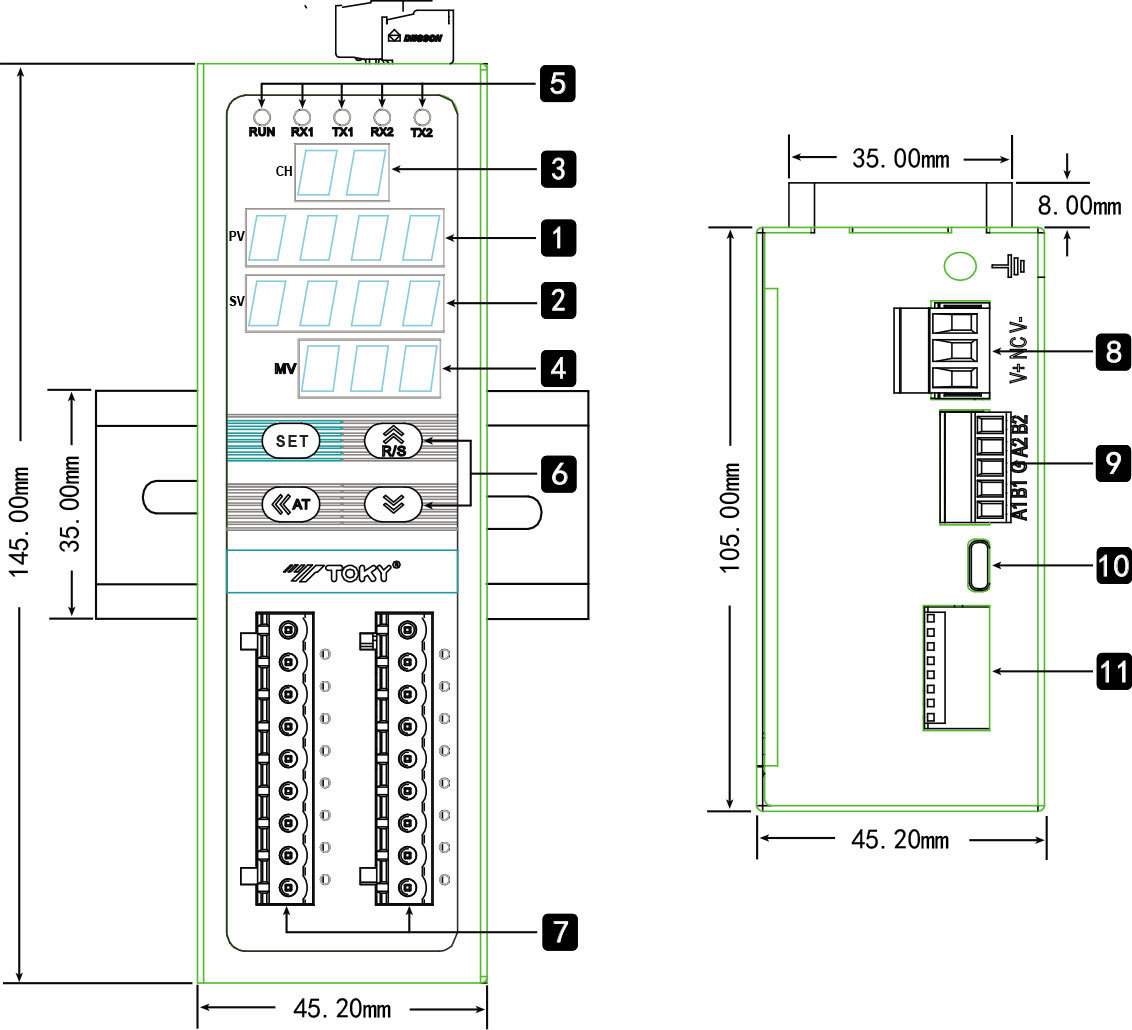
外观及安装尺寸(单位:mm)

相关产品
产品信息
填写您的手机和邮箱信息,我们将及时与您联系,尽快解决您的问题。