编号 :
上一个
下一个
产品描述
相关下载
信息更新: 2025-07-15
型号说明

型号种类
产品型号 | 输入信号类型 | OUT1主控输出 | 报警输出 | 电源供电 | 编码 | |||
TC | RTD | RELAY | SSR | AL1 OUT2 | AC/DC 100~240V | DC 24V | ||
T311A-□-TR1 | ● | ● | ● | ● | B0183T311A01 | |||
T311A-□-TS1 | ● | ● | ● | ● | B0183T311A01 | |||
T311A-□-RR1 | ● | ● | ● | ● | B0194T311A01 | |||
T311A-□-RS1 | ● | ● | ● | ● | B0194T311A01 | |||
T311A-□F-TR1 | ● | ● | ● | ● | B0183T311A01 | |||
T311A-□F-TS1 | ● | ● | ● | ● | B0183T311A01 | |||
T311A-□F-RR1 | ● | ● | ● | ● | B0194T311A01 | |||
T311A-□F-RS1 | ● | ● | ● | ● | B0194T311A01 | |||
□:面板尺寸,可根据需求选择 ●:标准配置功能 |
技术参数
1、电气参数表:
采样速度 | 2 次每秒 | 静电放电 | IEC/EN61000-4-2 Contact ±4KV /Air ±8KV perf.Criteria B |
继电器容量 | AC 250V /3A 额定负载寿命大于 10 万次 | 脉冲群抗扰度 | IEC/EN61000-4-4 ±2KV perf.Criteria B |
供电电源 | AC/DC 100 ~ 240V (85-265V),DC 24V | 浪涌抗扰度 | IEC/EN61000-4-5 ±2KV perf.Criteria B |
整机功耗 | < 6VA | 电压暂降及短 时中断抗扰度 | IEC/EN61000-4-29 0% ~ 70% perf.Criteria B |
固态继电器输出 | DC 24V 脉冲电平,带载 <30mA | ||
绝缘电阻 | 输入、输出、电源对机壳>20MΩ | 隔离耐压 | 信号输入与输出及电源 AC3000V 1min, 60V 以下低压电路之间 AC500V,1min |
停电数据保护 | 10 年,可写数据次数 100 万次 |
2、非电气参数表:
面板防护等级 | IP65(IEC60529) | 机壳材质 | 外壳与面板基架 PC/ABS ( 难燃度 UL94V-0) |
面贴材质 | PC | 安全标准 | IEC61010-1 过电压分类Ⅱ,污染等级 2,等级Ⅱ(加强绝缘) |
整机重量 | 约 400g | 周围环境条件 | 室内使用,温度:0 ~ 50℃ 无结露,湿度:<85%RH,海拔小于 2000m |
存贮环境 | -10 ~ 60℃, 无结露 |
输入信号表
*:订货时请注明信号输入要求

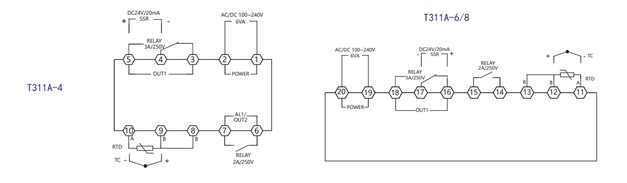
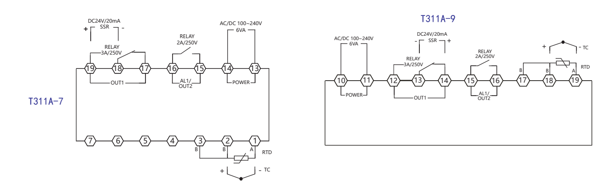
系列接线图
注:接线如有变动,以实际仪表机壳上的接线图为准


外观及安装尺寸

型号 | A | B | C | D | E | F | G | H(Min) | J | K(Min) |
4:(48*48) | 48 | 48 | 73 | 6.5 | 66.5 | 44 | 45 | 25 | 45 | 25 |
6:(96*48) | 48 | 96 | 73 | 6.5 | 66.5 | 90 | 91.5 | 25 | 45 | 25 |
7:(72*72) | 72 | 72 | 73 | 6.5 | 66.5 | 66 | 67.5 | 25 | 67.5 | 25 |
8:(48*96) | 96 | 48 | 73 | 6.5 | 66.5 | 44 | 45 | 25 | 91.5 | 25 |
9:(96*96) | 96 | 96 | 73 | 6.5 | 66.5 | 90 | 91.5 | 25 | 91.5 | 25 |
相关产品
产品信息
填写您的手机和邮箱信息,我们将及时与您联系,尽快解决您的问题。